The full range of products includes motors, input interfaces, output modules, installation forms, etc., which can be personalized designed and manufactured according to customer needs.
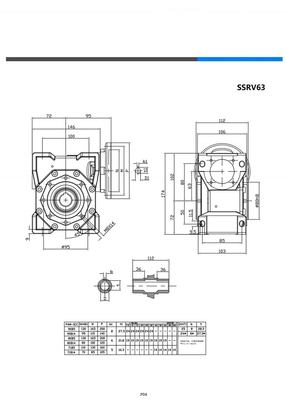
| PAM-IEC | N(H8) | M | P | b1 | t1 | Ratio D1(F8) | D1(H7) | b | t | ||||||||||
| 7.5 | 10 | 15 | 20 | 25 | 30 | 40 | 50 | 60 | 80 | 100 | |||||||||
| 71B5 | 110 | 130 | 160 | 5 | 16.3 | 14 | 14 | 14 | 14 | 14 | 14 | 14 | — | — | — | — | 18 | 6 | 20.8 |
| 71B14 | 70 | 85 | 105 | 19* | 6* | 21.8* | |||||||||||||
| 63B5 | 95 | 115 | 140 | 4 | 12.8 | 11 | 11 | 11 | 11 | 11 | 11 | 11 | 11 | 11 | 11 | 11 | *only on request | ||
| 63B14 | 60 | 75 | 90 | ||||||||||||||||
| 56B5 | 80 | 100 | 120 | 3 | 10.4 | — | — | — | — | — | — | — | 9 | 9 | 9 | 9 | |||
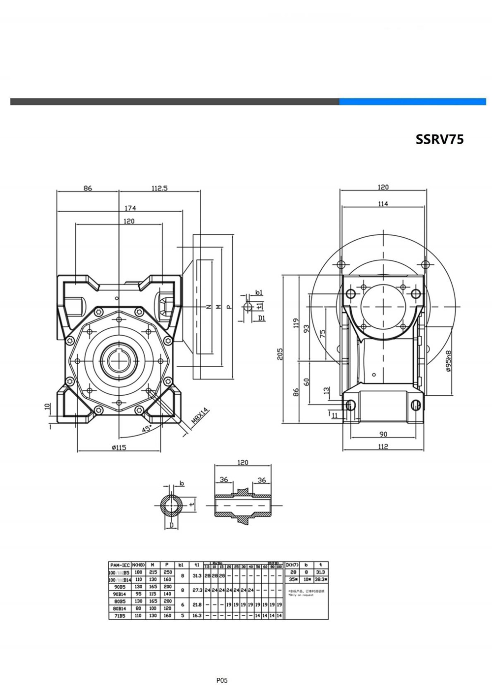
| PAM-IEC | N(H8) | M | P | b1 | t1 | Ratio D1(F8) | D1(H7) | b | t | ||||||||||
| 7.5 | 10 | 15 | 20 | 25 | 30 | 40 | 50 | 60 | 80 | 100 | |||||||||
| 80B5 | 130 | 165 | 200 | 6 | 21.8 | 19 | 19 | 19 | 19 | 19 | 19 | — | — | — | — | — | 25 | 8 | 28.3 |
| 80B14 | 80 | 100 | 120 | 24* | 8* | 27.3* | |||||||||||||
| 71B5 | 110 | 130 | 160 | 5 | 16.3 | 14 | 14 | 14 | 14 | 14 | 14 | 14 | 14 | 14 | 14 | — | *only on request | ||
| 71B14 | 70 | 85 | 105 | ||||||||||||||||
| 63B5 | 95 | 115 | 140 | 4 | 12.8 | — | — | — | — | — | — | 11 | 11 | 11 | 11 | 11 | |||
| 63B14 | 60 | 75 | 90 | ||||||||||||||||
Material Grade:
Crafted from 304/316 stainless steel, providing exceptional rust and corrosion resistance for harsh, humid, or chemical-exposed environments.
Hygienic Design:
Smooth, polished surfaces and easy-clean construction meet food/pharmaceutical hygiene standards, minimizing residue buildup and contamination risks.
Transmission Performance:
Delivers stable torque output and low-noise operation, with reduction ratios 5:1–100:1 to suit diverse industrial power needs.
Durability & Reliability:
Electro-polished finish enhances wear resistance, paired with reliable sealing to ensure long service life in continuous-duty scenarios.
Application Versatility:
Compatible with food processing, chemical handling, and marine equipment, supporting flexible mounting for seamless integration.







The full range of products includes motors, input interfaces, output modules, installation forms, etc., which can be personalized designed and manufactured according to customer needs.
We offer multiple color schemes such as RAL7045 (gray), RAL9011 (black), RAL5015 (blue), RAL9003 (white), RAL3014 (purple), etc. Customers can choose the corresponding product color according to their different needs.
Our nameplate is made of stainless steel laser printing technology, which can be customized according to the different needs of customers, especially by adding a product QR code. Scanning the QR code can quickly access product information and sales service information.
Conventional packaging forms include cardboard boxes, pallets, and wooden boxes. We can also customize the outer box packaging according to customer needs.